Concept to glassware
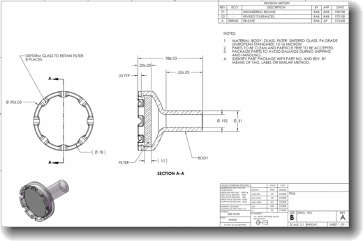
A lot of our work begins with an email request or an inquiry over the phone. If the work falls within our purview, we'll ask a few questions, as well as ask for a rough sketch or photograph. We see quite a range of sketches and working drawings, including napkins and hand-waving over the phone. Technically proficient drawings with tight tolerances are routine as well.
Experience has shown a sketch to be important; in order to be clear on the concept, and to get it right the first time. We need to know what's important functionally, such as target volumes, fittings, interfaces, specific tolerance requirements, etc. and we're not afraid to ask questions. We like to be included early in the design process as we have important contributions to make from years of experience. You can read about some of that experience on the customer comments page.
Our extensive photo gallery has been useful in helping our initial, mutual understanding of any given project. You can search the images, and the site generally, using the six digit numbers as well as relevant keywords to find related designs. We have included an editing feature on our photos. On any given image in the gallery, click the link "Image Markup Program", use the markup tools to indicate what you'd like, hit the save button, then copy and email it back to us. Note this feature does not run on tablets or handheld devices.
Scroll down to see some typical examples of requests for quotes, and the resulting glassware.
We are happy to assist in determining functional and cost-effective designs. We are happiest when you have a fairly clear idea of what you need and can communicate it to us. At times, we find ourselves overwhelmed by requests and quotes that are clearly unfocused and constantly changing. We reserve the right to charge when appropriate. What we consider inappropriate is needing to spend hours on the phone or to send many email messages back and forth to finalize a design (the current record is 39) for glassware amounting to a minimum order (currently $50). We consider ourselves reasonable people and good glassblowers; we will charge development and design fees when we feel we are spending more time than justified by the job.
Sending us your photos is particularly helpful for repair work, as each repair is a unique event which your photo can help illustrate for quote purposes.
In designing glass apparatus, you can save time and money by taking note of the standard sizes of tubing available. With multi-material assemblies, we often see the glass specified after everything else, potentially resulting in requirements for sizes which are not standard, or have very tight tolerances. This means higher expense. Typically, standard tubing sizes have diameter tolerances on the order of several percent.
Click on the photos below for more....
"Once again, Adams and Chittenden came through. I needed a custom soxhlet extractor for a project we were working on. We talked about what I was looking for and how I wanted it to work and they quickly translated those ideas and concerns into a functional piece of equipment. It works well and looks great."
Harrison Stockton
Production Chemist


See a comment from a happy cyclone customer
Below is an initial request and sketch for a jacketed reactor. 
When projects are more elaborate, complicated, or expensive, we present our understanding of the glassware in written form, as shown below, along with a quote and estimated time of delivery.












